Определение следовых количеств галогенорганических соединений в объектах окружающей среды
- Авторлар: 1
-
Мекемелер:
- Самарский национальный исследовательский университет имени академика С.П. Королева
- Шығарылым: Том 1 (2025)
- Беттер: 282-284
- Бөлім: ЧАСТЬ I. Безопасность жизнедеятельности в техносфере
- ##submission.dateSubmitted##: 26.05.2025
- ##submission.dateAccepted##: 20.06.2025
- ##submission.datePublished##: 02.11.2025
- URL: https://rjmseer.com/osnk-sr2025/article/view/680689
- ID: 680689
Дәйексөз келтіру
Толық мәтін
Аннотация
Обоснование. Источники поступления летучих галогенорганических соединений (ЛГОС) в объекты окружающей среды чаще всего имеют антропогенный характер: топливо, сырая нефть и разработка нефтяных месторождений, методы хлорирования в системах очистки и водоподготовки, сточные воды. Трудности аналитического контроля галогенорганических загрязнителей заключаются в том, что для особо токсичных подобных соединений установлены низкие ПДК (порядка 10–7–10–12 %).
Цель — разработка способа определения галогенорганических примесей в природных и антропогенных объектах методом газовой хроматографии с использованием хромато-десорбционных систем.
Методы. Одним из наиболее перспективных методов определения галогенорганических соединений в объектах окружающей среды является метод газовой хроматографии. Использование метода газовой хроматографии с детектором электронного захвата позволяет определять индивидуальные соединения ЛГОС и тем самым устанавливать вероятные источники загрязнения, а также снизить предел детектирования хлорорганических соединений ниже 0,1 мкг/л [1]. Однако анализ отобранных проб может быть правильным и точным при условии количественного определения отклика прибора на ввод известного количества вещества [2, 3]. Использование средств, необходимых для получения и использования градуировочных зависимостей между значениями аналитических сигналов и содержаниями компонентов, является одним из необходимых условий эффективной эколого-аналитической деятельности [4]. Основным средством, передающим размер единицы концентрации компонентов, являются стандартные газовые смеси (СГС). В настоящей работе был использован хромато-десорбционный способ получения стандартных газовых смесей. Он является одним из перcпективных и развивающихся динамических способов создания СГС. Преимуществами способа являются универсальность, высокая производительность и возможность приготовления многокомпонентных газовых смесей в одном цикле эксплуатации [5].
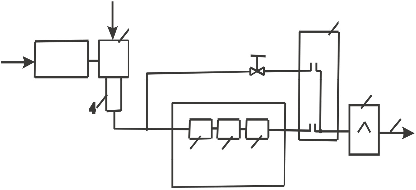
Результаты. Была проведена разработка хромато-десорбционных систем различной конфигурации проточного и дискретного типов. Для получения газовых смесей трихлорметана и тетрахлорметана была использована проточная хромато-десорбционная система, состоящая из трех секций и представленная на рис. 1.
Рис. 1. Устройство для получения потока газа с постоянными концентрациями летучих компонентов хромато-десорбционным способом: 1 — линия для подвода инертного газа; 2 — блок подготовки инертного газа; 3 — узел ввода пробы; 4 — испаритель; 5 — термостат; 6–8 — последовательно соединенные секции; 9 — переключающий газовый кран на 2 положения (а, б); 10 — детектор; 11 — пневмосопротивление; 12 — линия для потока градуировочных смесей
В качестве носителя для сорбента был использован диатомитовый кирпич. Жидкой неподвижной фазой являлось неполярное соединение сквалан (пропитка: 30 %). Зависимость сигнала детектора (площади хроматографического пика) от объема пропускаемого через систему газа представлена на рис. 2.
Рис. 2. Зависимость площади пика ЛГОС от объема газа, пропускаемого через ХДС
Можно заметить, что для обоих аналитов (трихлорметан, тетрахлорметан) наблюдается период квазипостоянства концентраций. Таким образом, варьируя температуру десорбции, возможно получение газовых смесей заданного состава. Оценка точности количественного определения ЛГОС с использованием стандартных способов и ХДС представлена на рис. 3.
Рис. 3. Оценка точности количественного определения трихлорметана и тетрахлорметана с использованием стандартных методик и ХДС
Выводы.
- Разработаны хромато-десорбционные системы для получения газовых смесей, содержащих ЛГОС.
- Изучена возможность получения ЛГОС хромато-десорбционным способом.
- Проведена оценка точности количественного определения ЛГОС с использованием стандартных методик и ХДС.
- Проведена оценка формирования буферной зоны от режима использования ХДС.
Толық мәтін
Обоснование. Источники поступления летучих галогенорганических соединений (ЛГОС) в объекты окружающей среды чаще всего имеют антропогенный характер: топливо, сырая нефть и разработка нефтяных месторождений, методы хлорирования в системах очистки и водоподготовки, сточные воды. Трудности аналитического контроля галогенорганических загрязнителей заключаются в том, что для особо токсичных подобных соединений установлены низкие ПДК (порядка 10–7–10–12 %).
Цель — разработка способа определения галогенорганических примесей в природных и антропогенных объектах методом газовой хроматографии с использованием хромато-десорбционных систем.
Методы. Одним из наиболее перспективных методов определения галогенорганических соединений в объектах окружающей среды является метод газовой хроматографии. Использование метода газовой хроматографии с детектором электронного захвата позволяет определять индивидуальные соединения ЛГОС и тем самым устанавливать вероятные источники загрязнения, а также снизить предел детектирования хлорорганических соединений ниже 0,1 мкг/л [1]. Однако анализ отобранных проб может быть правильным и точным при условии количественного определения отклика прибора на ввод известного количества вещества [2, 3]. Использование средств, необходимых для получения и использования градуировочных зависимостей между значениями аналитических сигналов и содержаниями компонентов, является одним из необходимых условий эффективной эколого-аналитической деятельности [4]. Основным средством, передающим размер единицы концентрации компонентов, являются стандартные газовые смеси (СГС). В настоящей работе был использован хромато-десорбционный способ получения стандартных газовых смесей. Он является одним из перcпективных и развивающихся динамических способов создания СГС. Преимуществами способа являются универсальность, высокая производительность и возможность приготовления многокомпонентных газовых смесей в одном цикле эксплуатации [5].
Результаты. Была проведена разработка хромато-десорбционных систем различной конфигурации проточного и дискретного типов. Для получения газовых смесей трихлорметана и тетрахлорметана была использована проточная хромато-десорбционная система, состоящая из трех секций и представленная на рис. 1.
Рис. 1. Устройство для получения потока газа с постоянными концентрациями летучих компонентов хромато-десорбционным способом: 1 — линия для подвода инертного газа; 2 — блок подготовки инертного газа; 3 — узел ввода пробы; 4 — испаритель; 5 — термостат; 6–8 — последовательно соединенные секции; 9 — переключающий газовый кран на 2 положения (а, б); 10 — детектор; 11 — пневмосопротивление; 12 — линия для потока градуировочных смесей
В качестве носителя для сорбента был использован диатомитовый кирпич. Жидкой неподвижной фазой являлось неполярное соединение сквалан (пропитка: 30 %). Зависимость сигнала детектора (площади хроматографического пика) от объема пропускаемого через систему газа представлена на рис. 2.
Рис. 2. Зависимость площади пика ЛГОС от объема газа, пропускаемого через ХДС
Можно заметить, что для обоих аналитов (трихлорметан, тетрахлорметан) наблюдается период квазипостоянства концентраций. Таким образом, варьируя температуру десорбции, возможно получение газовых смесей заданного состава. Оценка точности количественного определения ЛГОС с использованием стандартных способов и ХДС представлена на рис. 3.
Рис. 3. Оценка точности количественного определения трихлорметана и тетрахлорметана с использованием стандартных методик и ХДС
Выводы.
- Разработаны хромато-десорбционные системы для получения газовых смесей, содержащих ЛГОС.
- Изучена возможность получения ЛГОС хромато-десорбционным способом.
- Проведена оценка точности количественного определения ЛГОС с использованием стандартных методик и ХДС.
- Проведена оценка формирования буферной зоны от режима использования ХДС.
Авторлар туралы
Самарский национальный исследовательский университет имени академика С.П. Королева
Хат алмасуға жауапты Автор.
Email: vector1003@mail.ru
студент, группа 4425-280302D, институт естественных и математических наук
Ресей, СамараӘдебиет тізімі
- Дмитриева М.Т., Христова В. Газохроматографическое определение хлорорганических соединений в воде // Гигиена и санитария. 1991. № 3. С. 85–86.
- Баскин З.Л. Обеспечение качества эколого-аналитического контроля воздуха рабочих зон, жилых зон и выбросных технологических газов // Заводская лаборатория. Диагностика материалов. 2002. Т. 68, № 2. С. 45–54. EDN: YONWOX
- Бражников В.В. Детекторы для хроматографии. Москва: Машиностроение, 1992. Т. 4. 316 с. ISBN 5-217-01276-5
- Смыгина И.Н. Определение летучих органических соединений в объектах окружающей среды с использованием хромато-десорбционных систем: автореф. дис. ... канд. техн. наук. Москва: [б.и.], 2007. 15 с. EDN: NJAFJD
- Платонов И.А., и др. Получение стандартных газовых и жидких сред хромато-десорбционным способом // Сорбционные и хроматографические процессы. 2024. Т. 24, № 6. С. 858–884. doi: 10.17308/sorpchrom.2024.24/12565 EDN: FVFQKY
Қосымша файлдар






